陶瓷柱塞
时间: | 阅读量: 10093
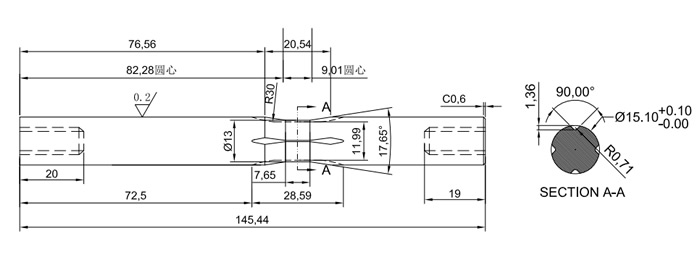
我们为新西兰一位从事制水工业的客户制造了这种类型的陶瓷柱塞,他们的泵使用这种陶瓷柱塞。
零件的两个头部与金属零件连接,我们采用在两端制作螺纹的方式,在连接金属零件后,我们使用胶水使其牢固连接,使其不容易相互脱落。
通常,我们有三种方法将陶瓷连接到金属:
我们使用热处理,加热后,金属会膨胀,然后我们把陶瓷放在金属零件上,冷却后,它会很好地连接。
我们用AB胶互相粘合。
使线彼此连接良好。
高压陶瓷柱塞的高耐磨性远高于传统金属柱塞。是金属柱塞的理想替代品,大大延长了相关部件的使用寿命。这也与其独特的制造工艺有关。高压工作面采用独特加工方法获得的微孔结构。这种形式具有自润滑作用,改变了传统柱塞泵的滑动摩擦和润滑机理,高压陶瓷柱塞内表面采用无死角、无沟槽的流体结构;内腔表面与柱塞表面匹配,并由先进的高精度内外圆磨床加工成镜面,外表面振动抛光,便于清洁,消毒。


