陶瓷晶圆舟
时间: | 阅读量: 10488
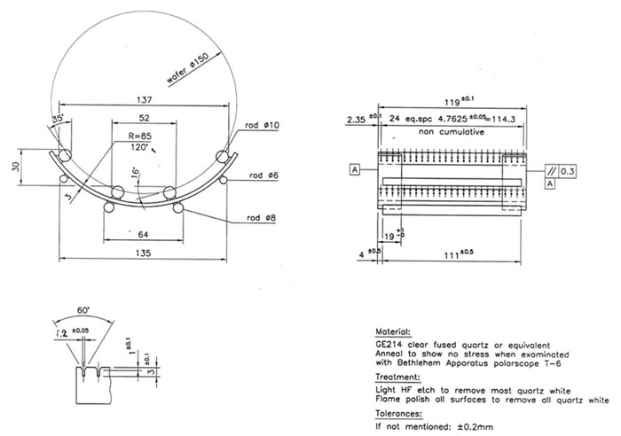
2018年5月,一位丹麦客户要求我们为厚度为675 um的6英寸(φ150mm)硅酮晶片提供一个水平槽。他们希望该部分采用99%氧化铝陶瓷。我们没有客户晶片尺寸的标准晶片槽,但我们定制了它。数量是1件。


在本项目之前,我们已经制作了一个99%氧化铝水平晶圆船,用于晶圆直径75~80mm。
半导体制造业通常在水平或垂直载体中加工这些晶圆。水平托架,通常称为“船”,具有三个或四个水平布置的杆,以半圆设计排列,每个杆具有以规则间隔设置的向内凹槽。每组凹槽定义用于承载垂直布置的晶圆的垂直空间。垂直载体,通常称为“垂直机架”,具有三个或四个以半圆设计排列的垂直布置的杆(或杆),每个杆具有以规则间隔设置在其中的槽,以定义用于支撑水平布置的晶圆的空间。为确保该领域所需的几何精度,将三根或四根杆固定在顶板和底板上。每个槽之间的支柱部分,称为“齿”,间隔相同,以便以规则间隔支撑晶片,并与底板平行。然后将整个机架放置在垂直炉内,以处理晶圆。
由于在垂直机架上加工的晶圆表面温度梯度较小(与在水平船上加工的晶圆相比),半导体制造商越来越多地转向垂直熔炉。然而,立式加热炉有一个缺点。布置在传统垂直机架上的晶圆仅在其外部边缘处受支撑。因此,位于这些齿上的晶圆区域比晶圆的其余部分承受更高的应力。当熔炉中的温度超过约1000°C时,这些应力通常变得显著,并且单晶晶片的部分相对于彼此沿着晶片板移动以响应该应力。这种现象被称为“滑移”,它有效地破坏了发生滑移的晶圆区域内半导体器件的价值。
99% 氧化铝陶瓷水平晶圆舟:

硅片氧化锆晶圆载体 :

碳化硅晶圆舟 :

陶瓷晶圆舟的优点:
耐3000华氏度(1650摄氏度)的极高温度
超耐酸、溶剂、盐和有机物腐蚀,耐磨
易清洁
抗冲击性强
无滑移
