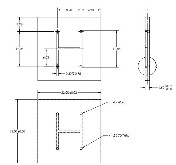
22x22x1.5mm 氮化铝嵌件加热板
这款氮化铝散热片用作LED晶圆的真空吸盘,为了尽可能快速地吸收热量并稳定维持在273°C及以上,该氮化铝陶瓷材料在此加热点不得熔化或变形。H形窗口并非贯穿式,其深度为0.75mm,用于真空通风。表面粗糙度Ra要求尽可能光滑,以防止吸盘/散热片与设备之间发生泄漏。该吸盘用作真空吸盘,在高于300°C或同等温度下不得熔化。
它需要先进的陶瓷材料才能高效快速地导热,起始温度为75℃并能保持稳定。氮化铝材料是一种优良的材料,其导热系数高达170 W/(m·K),导热性能极佳。

