我们通常备有以下尺寸的Interpump陶瓷活塞库存:
ODxIDx长度
15x8x30毫米
15x8x35毫米
18x8x30毫米
18x8x35毫米
20x11x40毫米
28x13x45毫米
20x14x50毫米
通用泵陶瓷柱塞套筒套件 | Interpump 活塞套筒维修:
通用泵业(General Pump,有时也称为Interpump)生产的高压清洗机泵是业内质量最高的泵之一。所有泵在其使用寿命期间都需要进行维护、保养或维修,因为它们会持续承受压力和运转。滥用也会导致停机和昂贵的维修费用,长时间旁通运行(高压清洗机运转,但喷嘴无水流)会导致泵头内部温度过高,从而损坏水封和陶瓷活塞套。
如果陶瓷柱塞套筒破损或开裂,水会进入泵体,与泵油混合,降低泵的润滑效果,可能导致泵故障。此外,如果破损,活塞套筒的陶瓷碎片会流入水系统,损坏其他高压清洗机部件,例如卸压阀。
请在下方所示的通用泵T系列和TS系列泵型号上使用这款8.703-190.0 20mm陶瓷柱塞。陶瓷活塞破裂或损坏会导致水进入泵曲轴箱,降低润滑效果,并可能损坏泵。有时,泵体和泵歧管之间会出现轻微漏水,这表明陶瓷柱塞可能已经损坏。如果不更换损坏的陶瓷活塞,可能会对泵、泵密封件、卸压阀和其他高压清洗机部件造成进一步损坏。
通用泵部件 47040409
通用泵:T1011、T9211、TS1021、TS1011、TS1041、TS1511、TS1531、TS2011、TS2021、TS1331-B
替换零件编号:104803、107892、15-060009182、87031900、87037510、8.703-151.0
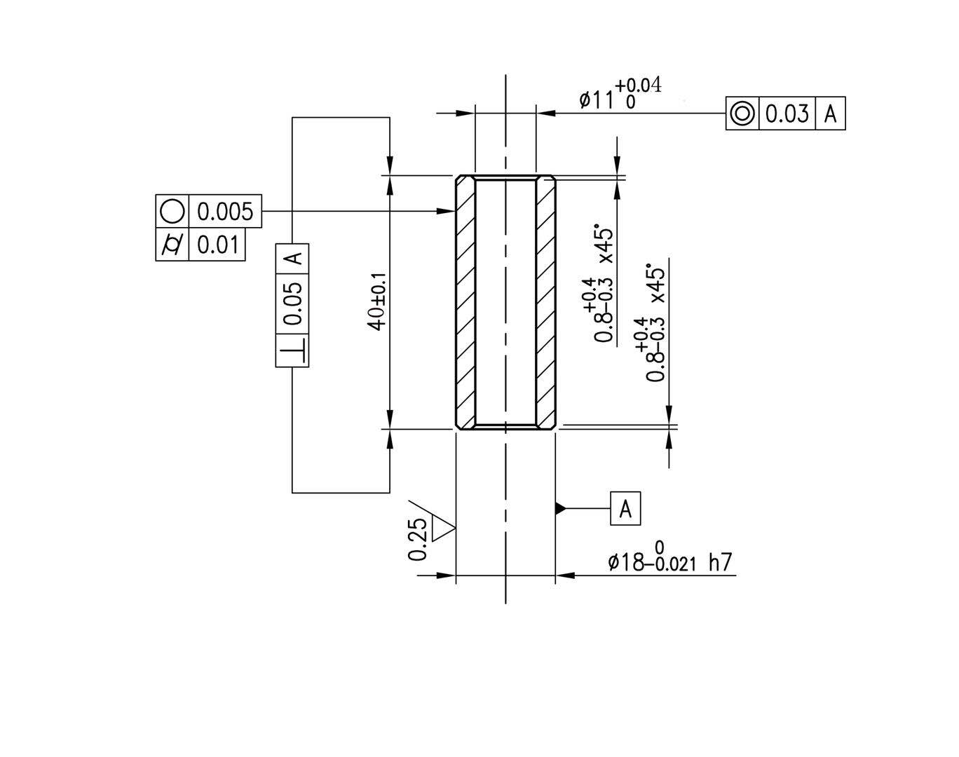
陶瓷活塞 18X11X40mm 的图纸:

