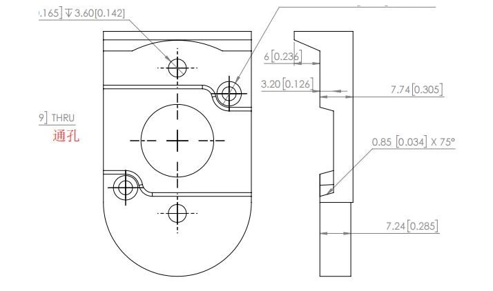
带孔的10针氧化锆连接器盖
这款10针氧化锆连接器盖坯采用等静压成型,密度高达6.0g/cm³。孔和台阶均由CNC高精度机床加工而成,加工公差可达0.001mm。氧化锆陶瓷加工件属于陶瓷结构定制加工件,因其强度高、耐腐蚀、电绝缘且耐磨,常被用作连接器盖。
带孔氧化锆连接器盖的图纸:

以下是氧化锆陶瓷材料的成分表:
| 产品物理化学检验表 | |||
| 型号:FMY-SB-3.0,批号:14-06033 | |||
| 检验结果:合格 | |||
| 不 | 物品 | 价值 | 方法 |
| 1 | ZrO2(HfO2)% | >94.3±0.1 | - |
| 2 | Y2O3% | 5.4±0.2 | JY-38IIAES |
| 3 | Fe2O3% | <0.0030 | YB/T568.2-2008 |
| 4 | Na2O3% | <0.0400 | YB/T568.5-2008 |
| 5 | SiO2% | <0.0100 | YB/T568.3-2008 |
| 6 | 二氧化钛 | <0.001 | YB/T568.6-2008 |
| 7 | 曹% | - | - |
| 8 | MgO% | - | - |
| 9 | 氧化铝3% | < 0.25 | YB/T568.4-2008 |
| 10 | CeO2% | - | - |
| 11 | 置信百分比 | <0.02 | GB/T9729-2007 |
| 12 | 大损失百分比 | 3.23 | 1000℃,1小时 |
| 13 | H2O% | 0.31 | 110°C,1小时 |
| 14 | Sbet M2/G | 10.6 | SSA-3600 比表面仪 |
| 15 | D50微米 | 1.444 | MS2000 粒度仪 |
| 16 | TD G/ML | - | - |
